
1、概述
DLX-1型系列零序电流互感器采用ABS工程塑料,环氧树脂灌注,具有良好的抗冲击性、耐腐蚀性、电气绝缘性,特别适合矿山井下恶劣环境中使用,DLX-1型系列互感器结构合理,可根据现场实际情况灵活安装,DLX-1型系列零序电流互感器与系列低压电网绝缘监测保护装置配合使用。
2、使用环境
①海拔高度:≤2000m(高原使用时特殊订货)
②环境温度:-40°℃~+70°℃
③相对湿度:≤90%
3、额定频率、绝缘耐热等级
①50Hz或60Hz
②E级(120°℃)
4、规格
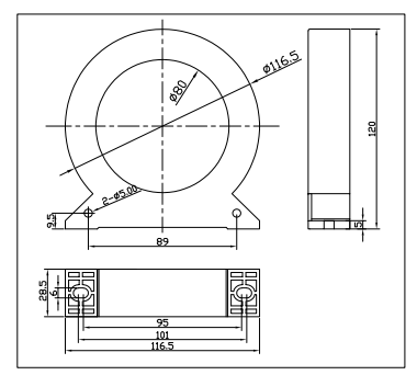
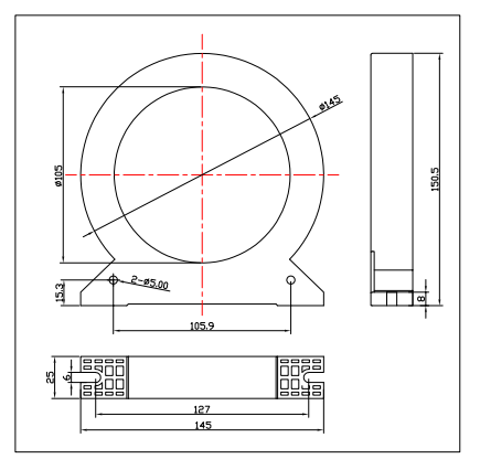
DLX-1系列零序电流互感器有内径80、100、150三种规格
4、使用说明
①适用于0~1140V频率为50Hz的三相交流电缆网络中;
②互感器上面贴有铭牌的面向负荷侧,零序电流信号用双芯屏蔽电缆引出;
③零序电流互感器(DLX-1)棕色线: IO+、蓝线:IO-,黄绿线:屏蔽层。
④安装方式:螺装,根据需要固定于开关柜内或防爆馈电开关内断路器的负荷侧。

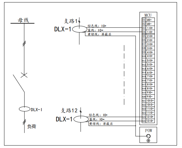
图1
安装说明
1、将DLX-1型互感器安装到每个需要监护支路断路器的下口(负荷侧);
2、DLX-1型零序电流互感器上贴有铭牌面面向负荷侧;
3、DLX-1型零序电流互感器二次引出线棕色线为 IO+、蓝色线为IO-,黄绿线为屏蔽层,引出线长标配为4m±5cm,I0+、I0-零序电流信号接到绝缘监测及漏电保护装置(如图1所示)。
现场安装图

DLX-1(Φ80)型互感器安装尺寸图

DLX-1(Φ100)型互感器安装尺寸图

注:1、DLX-1型系列零序电流互感器上贴有铭牌面面向负荷侧,二次引出线棕色线为 IO+、蓝色线为IO-,黄绿线为屏蔽层,引出线长标配为4m±5cm。
2、互感器二次引出线线长可根据需要定制,请在订货时说明。
非煤矿山:李经理 18053810488
煤 矿:李 工 17662502721
电 话:0538-8926337
传 真:0538-8926296
非煤矿山:SDZLZC@163.com
煤 矿:TAHMDL@126.com